





Compact structure, new style, beautiful outlooking.
Good in usability with long service life.
Bearing high capacity, high working class.
Flexible operating, safe and reliable.
Widely used and competitive on quality and price.
Double girder, welding box beam, camber meet national standard;
Adopt high quality carbon steel, Q235B or Q345B; (similar as Fe37 or Fe 52);
Main welding submerged are welded automatically, nondestructive flaw detection;
The trolley consisted with motor, reducer, brake, coupling, the wheel, drum;
No asbestos brake pad or brake block, insert the card installed, safe and reliable;
The speed reducer has hard-toothed surface, compact structure, durable;
End girder is matched with rail buffer and rail clearance device;
Crane protection grade is IP54 or IP44;
F grade insulation, brake effectively and long service life.
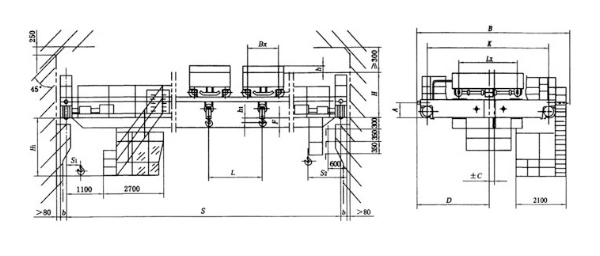
Model:QE
Capacity:1~16 tons
Hoist height:1~30 m
Span:Max 31.5 m
Working class:A3~A5
Control:Remote control,Cab control
Power supply:380V 50HZ 3 phase
Ambient Temperature: -20~40℃
| Main girder
Structure: Welding structure of steel plate and I-steel Technology: One-off forming U shaped groove. | ![]() |
| End girder
The end girder is connected with the main girder by dolts and nuts for easy transportation and installtion. | ![]() |
| Electric hoist
Model: CD, MD Capacity: 0.25-32t Lifting height: >3m Usage: Workshop, mines, habour etc. | ![]() |
| Safety Device
1.Outdoor cranes are equipped with lifting mechanism, 2. electrical control box and rainproof devices 3. Overloading alarm, two grade of top dashing proof protection 4. Crane buffer 5.Anti-collision, sound and light alarm devices 6.Circuit self-check protector 7.Flow phase lack protection |
Lifting limit switch
Weight overload limiter
Buffer
Traveling limit switch
Electrical protection |
| Operation
1.Ground control and cabin control 2.The cabin has open style, close style,can fixed on left or right 3.The open direction include end open,side open or top open 4.The cabin includes special small room for single-girder and capsule cabin 5.Ground control has handle and remote control, do not need to set up special driver 6.Users can choose as you need |
Pendant control
Remote control
Cabin control |















Please Feel free to give your inquiry in the form below.we will reply you in 24 hours.